EC節能電機Q12
產品詳情
1.產品簡介
獅球全新一代ECQ產品是取代罩極電機的高效電機,相比同類產品具備更高的效能,更低的成本及提供更安靜環境。在尺寸和安裝方式上兼容罩極電機,體積和溫升更小,具備多種材料可供客戶選擇(塑料、鋁),防護等級達到IP65,通過多項安全認證(VDE、UL、CE、CCC)
-效率達到65%
-速度不受電壓波動
-滾珠軸承潤滑,運行平穩
-內置電子控制器,具備過載和堵轉保護
-可替代常規交流感應電機
-提供5V,12V,24V,115V,127V,和230V
-可以控制正反轉,雙速,調速,調速區間(400-2200rpm)
-工作溫度-20℃~+50℃,特殊定制:-40℃~+70℃
2.應用范圍
超市商業冷柜與冰箱
飲料自動售貨機
制冰機
家用冰箱
3.技術參數
| 序號 | 型號 | 額定電壓 | 頻率 | 轉速 | 輸入功率/輸出功率 | 凈重 |
| 1 | ECQ12A230 | 198-253 | 50/60 | 1300/1550 | 22/15 | 0.6 |
| 2 | ECQ12A115 | 90-128 | 50/60 | 1300/1550 | 22/15 | 0.6 |
4.風量測試
ECQ電機空氣性能曲線測量在恒定速度1300rpm。
| 序號 | 型號 | 軸向葉輪直徑 | 軸向葉輪葉片角 | 輸入功率 |
| 1 | ECQ12 | 200 | 22 | 5 |
| 2 | ECQ12 | 200 | 28 | 5.7 |
| 3 | ECQ12 | 230 | 22 | 8.0 |
| 4 | ECQ12 | 230 | 28 | 13.1 |
| 5 | ECQ12 | 230 | 34 | 16.9 |
﹡ 轉速 = 1300RPM

5.電機噪音值估測

6.EC電機控制模式

7.手機遠程

使用手機APP軟件來控制ECQ,ECM系列電機,可以實現如下功能:
控制電機正反轉
遠程控制速度
實現可編程的調速曲線
可連接傳感器信號
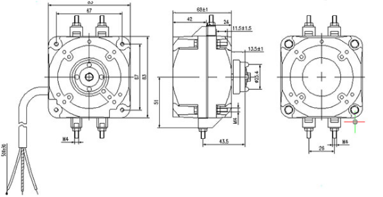
8.外形尺寸圖








